ХОТИТЕ ДЕЛАТЬ ФАСАДЫ ИЗ УЗКОГО РАМОЧНОГО АЛЮМИНИЕВОГО ПРОФИЛЯ - ВАМ НУЖЕН ЭТОТ СТАНОК!
Fen-is FN700FR - Турция. Портативный станок, легко переносится, используется для фрезеровки отверстий в алюминиевых и пластиковых профилях под замки, ручки, петли, шпингалеты и водоотводящие каналы.
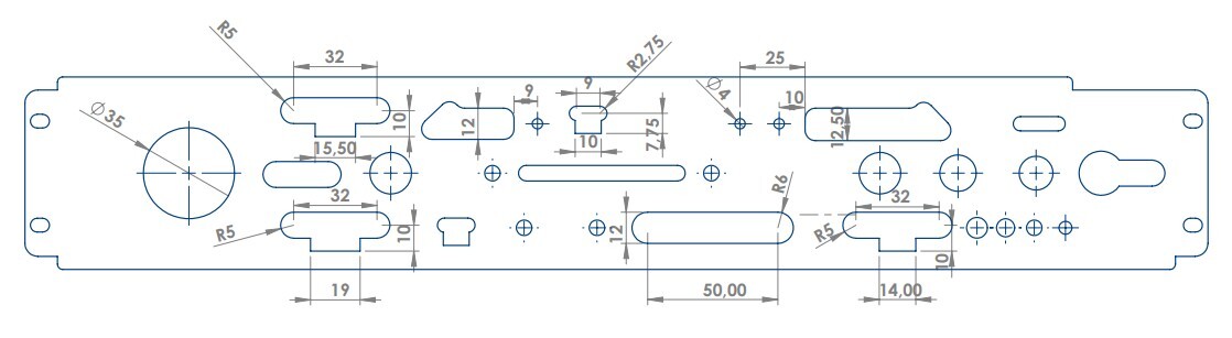
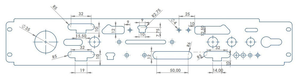
Шаблон со стандартными отверстиями
Специальные фиксаторы позволяют фрезеровать разные каналы независимо от шаблона
Удобная эксплуатация и безопасность в работе благодаря эргономичной конструкции
Стандартная комплектация
Эл. двигатель 0,85 кВт/32000 об.мин.
Фреза с рабочей частью Ø 5 мм (1 штука)
Упор для профиля (1 штука)
Механический эксцентриковый горизонтальный прижим для профиля (2 шт.)
Шаблон с отверстиями под мебельные петли в алюминиевом профиле (1 шт.)
Рабочая зона обработки:
x 290 мм
y 130 мм
z 150 мм
Дополнительное Оборудование
Тумба
Транспортер
Шаблон с отверстиями под заказ
Габаритные размеры и вес:
600 x 480 x 530 мм, 27 кг/ 29 кг
Этот станок подходит для обработки:
Рамочный профиль для фасадов
Широкий рамочный профиль
Узкий рамочный профиль
Рамочный профиль под наклейку
Окантовочный профиль
ПВХ профиль
INTEGRO Профиль рамочный узкий, 19х20х19 мм, черный (анод), L-6000
INTEGRO Профиль рамочный широкий, 45х20х8, черный (анод), L-6000
LINEA Профиль рамочный узкий, 20х22х8 мм, черный (анод), L-3000
INTEGRO Профиль рамочный узкий, 19х20х19, золото брашированное (анод), L-6000
INTEGRO Профиль рамочный широкий, 45х20х8, черный (анод), L-3000
SECRET Профиль рамочный узкий, черный (анод), L-3000
INTEGRO Профиль окантовочный врезной, для плиты 18 мм, 20х9х8, золото брашированное (анод), L-6000
SECRET Профиль рамочный узкий, черный (анод), L-6000
SECRET MAXI Профиль рамочный узкий, черный (анод), L-3000
INTEGRO Профиль рамочный узкий, 19х20х19, золото брашированное (анод), L-3000
INTEGRO Профиль рамочный широкий, 45х20х8, золото брашированное (анод), L-6000
INTEGRO Профиль рамочный узкий, 19х20х19 мм, серебро (анод), L-6000
LINEA Профиль рамочный узкий, 20х22х8 мм, золото брашированное (анод), L-3000
INTEGRO Профиль окантовочный врезной, для плиты 18 мм, 20х9х8, черный (анод), L-6000
SECRET MAXI Профиль рамочный узкий с интегрированной ручкой, графит, L-3000
IRIS Широкий рамочный профиль, серебро, L-3000
IRIS Широкий рамочный профиль, черный, L-3000
LINEA Профиль рамочный узкий, с наклонной ручкой, графит (краска), L-5400
